Marc Goldfarb,Ben Walker,Russell Martin,Tom Bosia,Ed Balboni,Dragoslav Culum (ADI 公司)
无线基站曾经封装在采用气候控制技术的大 型空间中,但现在却可以装在任意地方。随着无线 网络服务提供商试图实现全域信号覆盖,基站组件 提供商面临压力,需要在更小的封装中提供更多的 功能。
来自 ADI 公司的一对集成电路(IC)提供了一 种解决方案,重新界定了接收器前端混频器的意义。 实际上,该 IC 在混频器 IC 内部集成了曾经附加于 接收器内混频器的许多组件,比如,本振(LO)和中 频(IF)放大器。利用这些 IC,可以大幅减少蜂窝基 站的大小,同时还能带来软件定义无线电(SDR)的 灵活性,从而应对多种不同的无线标准。
这 里 涉 及 的 IC 的 型 号 是 ADRF6612 和 ADRF6614,根据设计二者支持 的 RF 范围为 700 MHz 至 3000 MHz,LO 范 围 为 200 MHz 至 2700 MHz,IF 范 围 为 40 MHz 至 500 MHz。它们支持低端或 高端 LO 注入,包括一个板载锁 相环(PLL)和多个低噪声电压 控制振荡器(VCO),全部封装 在 7 mm ×7 mm 48 引 脚 的 LFCSP 外壳中。超高的集成度 和组件密度,加上多样性和可编程能力,可以支持多 种不同的无线标准,完全满足现代微蜂窝的小批量 生产需求。
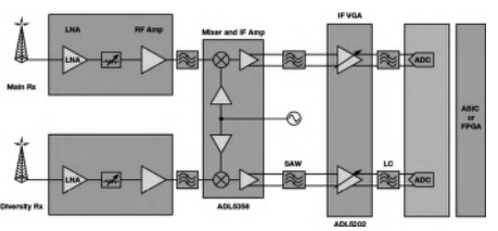
为了更好地理解这些高度集成的混频器 IC 在 节省空间方面的优势,不妨回忆一下 2010 年左右时 的蜂窝基站的前端,如图 1 所示。双混频器架构的 带宽范围约为 1 GHz,需要多个组件来处理当时的 蜂窝频率范围,即 800 MHz 至 1900 MHz。频率合成 由一个独立的 PLL 和窄带 VCO 模块提供,需要用 一个特有的 PLL 环路滤波器才能实现最佳性能。每 个目标频段均采用专门的 VCO 模块,结果增加了基 站内需要的电路板面积。

图 1 框图所示为 2010 左右时的典型蜂窝基站
另外,这些分立式组件是通过低阻抗传输线路相互连接起来的,结果会增加信号损失。结果,需要 很大的电流把 VCO 输出驱动到足够的电平,以便 混频器能在信号阻塞条件下产生低相位噪声和噪 声系数。
集成 VCO 的接收器 IC 并非新事物。但要实现 多载波要求的宽带宽和低相位噪声,全球移动通信 系统(MC-GSM)无线网络一直是个挑战。GSM 的 信道复用方案要求接收 LO 具有极低的相位噪声, 尤其是在相间通道失调频率为 800 kHz 的情况下, 如图 2 所示。如果这些相间通道的多余相位噪声与 同样处于 800 kHz 失调条件下的无用信号相混合, 则可能使相位噪声转换成 IF 输出,从而降低系统的 灵敏度。
低 VCO 相位噪声通常是通过高 质量因数(高 Q)谐振器和窄带设计 实现的。频分也能降低噪声。通过使 VCO 工作于接收器 LO 频率的整数 倍,随后进行的分频即可使相位噪声 降低一个 6 dB/ 倍频程,如图 3 所示。 GSM 在 1800 MHz 至 1900 MHz 频段 内的相位噪声要求极高,其严重程度 大约相当于 800 MHz 至 900 MHz 频 段内相位噪声的两倍。
在低相位噪声以外,现代基站接 收器设计必须支持无线通信网络当 前使用的多种调制方案。除 GSM 以 外,其他调制方案包括宽带码分多址 (WCDMA) 和长期演进 (LTE)系 统。接收器设计通常包括若干不同的 VCO,其相位噪声性能配置为中等水 平,通过组合的方式满足基站倍频程 带宽需求。
一旦将若干个 VCO 配置为在最 高工作频率下产生一个倍频程带宽, 则可用二分频实现较低的 LO 频率。 ADRF6612 接收器混频器采用的就 是这种方法,其中,VCO 基频范围为2.7 GHz 至 5.6 GHz,通过从 1 至 32 分频,两级频分 实现 200 GHz 至 2700 MHz 的 LO 频率。对于同时包 括 MC-GSM 的应用,ADRF6614 接收器混频器包括两个额外的高性能 VCO 内核,用于提供 1800 MHz 至 1900 MHz GSM 频段所需要的 LO 频率。

2 信道复用方案要求在 GSM 无线系统中采用低 相位噪声的宽带宽 VCO,避免因阻塞导致性能下降


由于现代无线微蜂窝可能不具备气候控制环境 的优势,所以这些接收器 IC 一类的组件可在较宽的 极限温度范围内提供一致、可靠的性能。为了在较 宽的工作温度范围内实现规定的性能,ADRF6612 和 ADRF6614 IC 中的 PLL 和 VCO 采用了多种校准 技术。
对于低噪声宽带宽,每个 VCO 内核采用一个 8 位的容性数模转换器(CDAC),后者可以为给定的 LO 频率选择正确的频段(128 选 1)。系统会仔细监 控 VCO 谐振器幅度的任何变化,并用自动电平控制 (ALC)系统调整幅度,以获得最佳输出幅度。每个 IC 都会在工作频率被重新编程的时候执行校准序 列。这样可以确保所选频段将 VCO 调谐变容二极管 的调谐电压集中于最佳范围内,使频率合成器在所 需工作温度范围保持锁定。
每 个 ADRF6612 和 ADRF6614 IC 中 的 四 个 VCO 内核可以确保其工作范围具有合适的重叠性, 能适应不同的环境条件和器件制造容差。对于环境 和工艺差异,内核一般会以相同的方向移动频率,因 而内建了充足的重叠机制,使得频率合成器能够始 终实现锁定条件。
一旦确定校准方案,就可以无限地维持频率,调 谐电压范围支持需要的同步范围。在时分双工 (TDD) 系统中,基站可能根据不同的时隙改变频 率,其工作时间可能按微秒计。在频分双工(FDD) 系统中,可能需要多年锁定单个频率。
在 ADRF6612 和 ADRF6614 IC 系统工作期间, 任何时候都不允许出现故障停机事故。因此,温度 变化和组件老化效应通过 VCO 的变容调谐电压范 围和频率调谐灵敏度(kV)来处理,温度范围有可 能达 145℃。每个 IC 会根据需要持续监控器件温度 并调整 VCO 偏置。
ADRF6612 和 ADRF6614 Ic 采用一种 独特方 法,最大限度地减轻由杂散信号产物导致的接收器 灵敏度下降问题。利用频率合成器的整数模式和紧凑环路滤波器可使参考杂散产物低至 -100 dBc 以 下。最小杂散信号对调制方案至关重要,如 MCGSM。对于 LTE 和其他调制方案,或者在需要精细 的频率阶跃的情况下,频率合成器可以工作于小 数 N 分频模式。参考路径集成一个 13 位分频器, 整数和小数路径各自集成 16 位分频器,具有极大 的灵活性。
对于需要共置相位跟踪接收通道的应用中,如 多输入多输出(MIMO)系统,可以通过菊花链方式 将 ADRF6612 和 ADRF6614 IC 级联起来,以便允许 其中一个单元作为主频率合成器,分别通过其外部 LO 输出和输入端口为其他从机接收器供电。这样, 就可以最大限度地降低额外 LO 分配放大器及其相 位噪声相应增大的程度。
为了同时支持高端和低端 LO 注入,每个 IC 的 LO 链提供了灵活的信号处理,如图 4 所示。使用 1 至 32 的整数分频比,即使是 700 MHz 频段和高 IF, 也可实现低端注入。LO 级在从 200 MHz 至 2700 MHz 的整个 LO 范围内,同时为无源混频器内核提 供一个方波驱动。[1]

图 4 本 LO 信号链用于支持无线基站接收器。
现代无线基站带内信号在频率上接近低电平输 入信号,因而蜂窝接收器可以充当阻塞信号。在这 种情况下,在目标信号之上,来自阻塞信号附近 LO 放大器的相位噪声被混频进 IF 输出频段。这样会提 高噪底,有时能大幅降低接收器的信噪比(SNR)。
由于阻塞信号可能较大(高功率),所以 VCO 相位噪声必须极低,并且 LO 链不会在阻塞器失调条件下降低噪底。在这些超高的阻塞电平下,接收 器噪声系数会最终被阻塞信号主导,并根据阻塞器 功率水平的高低下降。

在分立式接收链方案中,可以在 LO 路径上引 入一些滤波机制,以在阻塞器失调条件下,最大限度 地降低来自 VCO 和 LO 分配放大器的相位噪声。然 而,在集成式前端中,必须谨慎,避免 LO 链中的加 性相位噪声。
ADRF6612 和 ADRF6614 IC 采用高增益 LO 链 和硬限幅放大器以将 LO 链驱动至限幅。当每个级 进入硬限幅时,在其他情况下会增大相位噪声的 LO 链小信号增益将大幅下降,从而将阻塞条件下的噪 声系数下降问题减至最低。
来自阻塞信号的噪声折叠会降低接收器输出噪 声频谱性能,提高输出噪底,从而降低接收器噪声系 数。根据设计,ADRF6612 和 ADRF6614 接收器 IC 可在最大限度减小接收器噪声系数降幅的条件下承 受较大的阻塞信号,如图 5 所示。即使输入阻塞电 平为 10 dBm,在载波失调 10 MHz 条件下,接收器的 噪声系数也只会下降 3.2 dB,即使转换增益在极端 阻塞电平下缩减 1 dB,亦是如此。


这些接收器 IC 具有超高的集成度,因而对现代 无线基站设计师来说,可以大幅提升性能,节省 DC 功耗,如图 6 所示。IC 采用一种技术,可以同时优化 片上混频器周围的 RF 和 IF 级。[2]
该技术首次用于 ADRF6612,在整个温度范围 内和整个频率范围内以及低功耗条件下,最低 IIP3 超过 25 dBm,在整个温度范围内,为 29 dBm 至 2 GHz。该技术还具有最佳接收路径噪声系数性能和 高转换增益,如图 7 所示。[3,4]
致谢
随着完整接收器链内在集成度的提高,开发团 队的规模也大幅增加。虽然这里无法列出为本文做 出贡献的全体人员,但本文作者非常荣幸地向下列 行业专家表示由衷的谢意:Kurt Fletcher 和 Dominic Mai 花了大量时间以实现优秀的布局并保持对称, 避免无用耦合。Vincent Bu 与我们的供应商密切配 合,开发必要的封装。Susan Stevens 与外部代工合作 伙伴维持了良好的工作关系。Craig Levy 和 Rachana Kaza 为 这 些 器 件 开 发 了 生 产 测 试 功 能。Wendy Dutile、Ed Gorzynski 和 Chris Norcross 都参与了测试 电路的大量原型制作工作。Mark Hyslip 负责业务协 调,使得本项目得以成型。本文作者希望以本文纪念 我们的同事,Edward J. Gorzynski。CIC
Previous:一种捷变频宽带微波频率合成器的设计
Next:直接调制器设计方案