苏鹏(中国电子科技集团公司第五十四研究所河北石家庄050081)
[摘要] 阐述了一种C 频段卫星通信上变频器的实现方案,针对低杂散和低相位噪声输出以及小步进这3 个难点,采用优化频率配置以及选用高抑制度的滤波器实现变频器的低杂散输出;采用DDS+ 多环锁相方案实现低相位噪声、小步进输出。最后给出测试结果,杂散抑制- 70 dBc(585 MHz 带内),相位噪声为- 89 dBc/Hz @ 10 kHz,频率步进100 Hz,验证了该方案的可行性。
[关键词] 卫星通信C 频段上变频器
中图分类号: TN773 文献标识码: A 文章编号: 1008- 1739(2012)12- 72- 3
Design and Implementation of C-Band Up Converter
SU Peng(The 54th Research Institute of CETC, Shijiazhuang Hebei 050081, China)
Abstract: Aiming at such three difficulties as low spurious output, low phase noise output and small step, this paper introduces a scheme of the up converter in C-band satellite communications. By using optimal frequency allocation and high-rejection filter, the low spurious output is realized. By using DDS + multiple phase-locked loops, the low phase noise output and small step output are realized. Finally, the test results are given, such as spurious rejection -70 dBc (585 MHz in band), phase noise -89 dBc/Hz @ 10kHz and frequency step 100Hz. The test results prove the efficiency of the scheme.
Key words: satellite communications; C-band; up converter
1 引言
在C 频段上, 变频器是卫星通信系统的重要组成部分,它主要的是实现140 MHz±40 MHz 中频信号到5840 MHz-6425 MHz 射频信号的频谱搬移,以利于信号的空间传输。目前,C 频段上变频器技术已经非常成熟,国内外均有现成的产品。但是随着卫星通信事业的飞速发展,对频谱资源的需求不断增加,频率步进更小、杂散、相噪更低的变频器已成为人们的迫切需求。因此小步进、低相噪、低杂散的C 频段上变频器的研制对国内C 频段卫星通信具有非常重要的意义。
2 变频器的指标要求及原理
随着卫星通信事业的发展,通信系统对变频器的要求尤其是对变频器的频率灵活性的要求也越来越高。以往C 频段变频器的频率步进通常为125 KHz, 近年来随着卫星业务量的增加,要求变频器的频率步进尽可能小,目前大多数系统已要求变频器实现100 Hz 的频率步进。这无疑增加了变频器中本振源的设计难度。同时, 通信系统还要求变频器低杂散输出,这增加了变频链路的设计难度。系统要求C 频段上变频器达到的性能如下:① 输出杂散:≤-60 dBc(585 MHz 带内);② 输出相位噪声:≤-65 dBc/Hz @ 100 Hz;≤-75 dBc/Hz @1 kHz;≤-85 dBc/Hz @ 10 kHz;≤-95 dBc/Hz @ 100 kHz;③频率步进:100 Hz。
为了实现低杂散输出,C 频段上变频器采用二次变频方案,如图1 所示。因为采用一次变频,绝大多数的本振频率都落在射频工作频带之内,会形成难以抑制的杂散。变频链路和本振既实现频谱搬移功能,又实现增益调整和选频功能,同时要求低杂散、小步进、低相位噪声输出,所以变频链路和本振源是C 频段上变频器设计的难点。

图1 C频段上变频器原理框图
3 关键电路设计
3.1 变频电路设计与仿真
上变频链路的主要设计难点是组合杂散, 而合理的中频选择以及优化电平配置能够有效的降低组合杂散[1]。因为根据混频器理论以及对混频器所做的实际测试, 当信号电平低到一定程度(一般小于-20 dBm 时), 它的杂散产物mLO±nIF(m≠1,n≠1)下降到-70 dBm 以下,所以对于组合杂散可以通过降低输入中频信号电平来解决,并且对于偶数次杂散,双平衡混频器自身对它也有较好的抑制。变频链路采用二次变频方案,混频器选用双平衡混频器,变频链路原理框图如图2 所示。经分析计算并仿真,当中频选为1030 MHz 时,输出带内的组合杂散频率最少。

图2 变频链路原理框图
⑴ 第一次混频所产生的组合杂散
表1 第一次混频的组合杂散频率仿真结果

第一次混频所产生的9 次以内的组合杂散如表1 所示。
表1 中的m 为本振频率谐波次数,n 为中频频率谐波次数。由表1 可知, 主要组合杂散为本振的一次和2 倍中频的组合杂散, 当输入信号为100 MHz 时, 产生的组合杂散为1090MHz,离有用信号1070 MHz 非常近,虽然可以通过降低输入信号功率来改善, 但是杂散功率仍然很大, 不能满足指标要求,必须通过外加滤波器来解决。根据实际测试,该杂散与主信号990 MHz 功率差值为42 dBc,要满足整机杂散60 dBc 的指标要求,滤波器至少得对该杂散有18 dBc 的抑制度。滤波器选择了高Q 值的腔体滤波器,它对该组合杂散具有35 dBc 的抑制度,所以最终该组合杂散相对于输出信号为77 dBc。单点本振泄露是另外的一个主要杂散。单点本振功率+13 dBm,所选择的混频器对它具有40 dB 的隔离度,腔体滤波器对单点本振信号具有70 dBc 的抑制度, 混频器入口中频信号电平定为-20 dBm,变频损耗为8 dB,所以最终单点本振漏相对于信号70 dBc。
(2) 第二次混频所产生的组合杂散。
第二次混频存在着两种组合杂散, 一是第一次混频所产
生的中频信号和频综的组合杂散频率,如表2 所示;二是单点
本振和频综通过混频器2 的组合杂散,如表3 所示。表2、表3
中的m 为本振频率谐波次数,n 为中频频率谐波次数。
表2 第二次混频的组合杂散频率1 仿真结果

表3 第二次混频的组合杂散频率2 仿真结果

由表2 可知,第二次混频的组合杂散次数较高,偶次杂散双平衡混频器自身对其有着较好的抑制, 奇数次杂散可以通过输入信号电平来解决。对于表3 中的组合杂散,单点本振信号经过经过合理的屏蔽并通过滤波器BP1 后在混频器2 入口的理论电平为小于-70 dBm,它再与频综混频产生的杂散基本上可以忽略不计。频综泄露是另一杂散来源。频综信号功率为+15 dBm,混频器对它有20 dB 隔离度,混频器2 后具有30dB 增益,滤波器2 对频综泄露具有90 dBc 的抑制度,所以最终频综泄露为-65 dBm。
3.2 本振源的设计
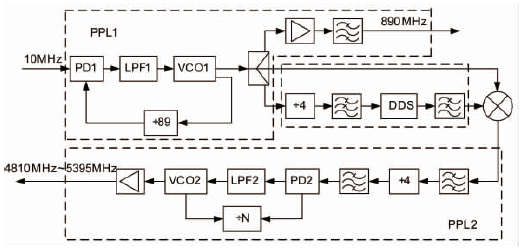
本振源为变频链路1 提供2 个本振信号,其中第一本振输出890 MHz 的单点信号,第二本振输出4810 MHz-5395 MHz的宽带信号, 并以100 Hz 步进。第二本振的小步进和低相位噪声输出是设计的一个难点。如果采用锁相环实现,由锁相环的原理可知,根据公式1 计算环路带宽内的相位噪声,环路带宽外的相位噪声取决于压控振荡器(VCO)的相位噪声。PN=Phase Noise Floor+10lgFPD+20lgN (1)如果鉴相频率(FPD)取100 Hz,鉴相器的基底噪声取-219 dBc/Hz,环路带宽取30 kHz,当输出为5,395 MHz 时,N为53,950,000,由公式1 计算出环路带宽内(小于30 kHz)的相位噪声为-44.4 dBc/Hz,显然不满足指标要求。如果采用DDS实现,目前DDS 工作频率较低,无法实现所需输出频段的要求[3]。实践中大多采用混合频率合成[2][4][5]的方法:将DDS与PLL 两种频率合成技术结合起来,取长补短,以实现具有小步进和低相位噪声的宽带频率合成器。本振源的具体实现如图3 所示。

图3 本振源原理框图
图3 中PLL1 为第一本振, 同时PLL1 的另一路输出与PLL2 和DDS 构成第二本振。其中PLL2 的频率步进为52.25MHz, 而52.25 MHz 以内更小的频率步进则由DDS 实现,DDS+PLL 三环锁相技术可同时实现宽带小步进输出和低相位噪声输出。
① 计算第一本振的相位噪声:PLL1 的鉴相频率(FPD)为10 MHz, 鉴相器的基底噪声取-219 dBc/Hz, 环路带宽取30kHz,当输出为890 MHz 时,N 为89,由公式1 计算出环路带宽内(小于30 kHz)的相位噪声为-110 dBc/Hz。环路带宽外(大于30 kHz)的相位噪声取决于VCO1 的相位噪声。在偏离载频100 kHz 时,此频段VCO 的相位噪声约为-120 dBc/Hz。
由以上计算可知, 第一本振偏离载频不同点的相位噪声均满足指标要求;
② 计算第二本振的相位噪声:第二本振环路带宽内的相位噪声由PLL1 的倍频噪声和PLL2 的相位噪声相叠加。当输出频率为5395 MHz 时,PLL1 的倍频噪声约为-94.3 dBc/Hz。PLL2 的鉴相频率(FPD)为52.25 MHz 时,鉴相器的基底噪声取-219 dBc/Hz,环路带宽取30 kHz,当输出为5395MHz 时,N 约为103,由公式1 计算出PLL2 环路带宽内(小于30 kHz)的相位噪声为-101.7 dBc/Hz。由相位噪声叠加原理可知,第二本振环路带宽内的相位噪声约为-94.3 dBc/Hz。第二本振环路带宽外(大于30kHz)的相位噪声取决于VCO2 的相位噪声。在偏离载频100 kHz 时, 此频段VCO 的相位噪声约为-107dBc/Hz。由以上计算可知,第二本振偏离载频不同点的相位噪声均满足指标要求。
4 测试结果与分析
该变频器已在某工程中应用, 经测试: ① 当输入信号为100 MHz 时, 输出频率为6.0925 GHz, 主要杂散为5092.5MHz,杂散值为70 dBc(585 MHz 带内),与理论计算77 dBc具有7 dB 的偏差, 这主要是由于滤波器接地不是太好以及信号的空间耦合造成; ② 实测第二本振的相位噪声为89 dBc/Hz@10 kHz,与理论值94.3 dBc/Hz 有5.3 dB 的偏差,这主要是由于电源的噪声影响, 导致参考源相位噪声恶化而引起本振源相位噪声的恶化[6]。
5 结束语
根据本方案设计的C 频段上变频器已经在某工程中得到运用,性能稳定可靠,杂散、相位噪声指标已经达到国外同类产品水平,频率步进方面则已经超越国外产品。C 频段上变频器的研制成功对于取代国外同类产品, 实现关键设备的国产化具有很重要的意义。
参考文献
[1] 吴世杰.二次变频通信系统中的频率配置设计[J].无线电通信技术,1999,25(6): 7- 10.
[2] 张厥盛,郑继禹,万心平.锁相技术[M].西安:西安电子科技大学出版社,1994.
[3] 高泽西,高成. 直接频率合成器(DDS)及其性能分析[J].北京航空航天大学学报,1998,24(5):615- 618.
[4] 杨新功,宋庆辉.超宽带低相位噪声频率合成器的实现[J].无线电通信技术,2006, 32(3): 39- 41.
[5] 胡丽格,杨志国,闵洁.一种L 波段的小步进频率合成器[J].无线电工程,2007, 37(6):60- 61.
[6] 温明艳.多环频率合成器抗干扰研究[J].无线电通信技术,2002,28(5): 29- 31.
Previous:L 波段收发信道模块设计
Next:一种捷变频宽带微波频率合成器的设计