李园春 1,吴迪斯 2,黄 衡 3 (1 华南理工大学电子与信息学院 广州 510641 2 中兴通讯股份有限公司 深圳 518057 3 香港城市大学 香港 999077)
摘要:毫米波技术是低轨卫星互联网的核心。面向卫星互联网的地面终端射频前端规模化商用面临着高功率、高 效率、低噪声、高线性度与宽带宽等多重性能指标相互制约的严峻挑战。本文聚焦于卫星互联网地面终端的毫米波射 频核心器件,系统性地综述了其三大核心器件:功率放大器、低噪声放大器和压控振荡器的最新研究进展与关键技术 路线。最后,本文总结了毫米波射频前端从电路级设计迈向系统级集成的发展趋势,并展望了未来地面终端在全频段 覆盖、高线性度与低功耗协同设计下面临的挑战。
关键词:卫星互联网;毫米波功率放大器;毫米波低噪声放大器;毫米波压控放大器;毫米波前端集成技术
A Review of Millimeter-Wave RF Core Components and Integration Technologies for Satellite Internet Ground Terminals
Abstract: Millimeter-wave technology is recognized as the core of low Earth orbit satellite internet. However, the largescale commercialization of ground terminal radio frequency front-ends is confronted with severe challenges arising from the mutual constraints among multiple performance metrics, such as high power, high efficiency, low noise, high linearity, and wide bandwidth. This article is focused on the millimeter-wave radio frequency core components of satellite internet ground terminals. A systematic review is conducted on the latest research advances and key technical approaches for three core components: power amplifiers, low-noise amplifiers, and voltage-controlled oscillators. Finally, the development trend of millimeter-wave radio frequency front-ends is summarized, highlighting the transition from circuit design to system integration. The challenges faced by future ground terminals in achieving full-frequency coverage and co-design for high linearity and low power consumption are also discussed
Key words: Satellite Internet; Millimeter-Wave Power Amplifier; Millimeter-Wave Low-Noise Amplifier; MillimeterWave Voltage-Controlled Oscillator; Millimeter-Wave Front-End Integration Technology
0 引言
卫星互联网利用卫星星座组网实现大容量、高通量和低时延的全球网络通信,可以覆盖沙漠、海洋等极端地理环境和偏远地区,与地面通信系统形成互补关系,是空天地一体化技术的信息基础设施, 也是 6G 网络的重要一环。传统的高轨卫星通信距离长、延时高,难以满足实时性高的互联网应用。 这一瓶颈推动低轨星座成为科研及产业的突破方向,中美等国主导的“千帆星座”、“星链计划”等 项目标志着行业进入高速发展期。6G 卫星互联网地面终端作为用户接入卫星网络的关键接口,不再局 限于卫星电话等低性能专用终端,正朝着多元化、低成本、高性能、全场景的方向发展[1][2]。毫米波具 有大带宽优势,是卫星互联网的重要频段选择。与此同时,终端射频前端作为信号收发的核心环节, 被要求同时实现高功率、低噪声、宽频带与高集成度,其性能优劣直接决定通信链路的可靠性、系统 容量与终端设备的小型化水平。因此,毫米波前端核心电路与先进集成技术的突破,已成为低轨星座 规模化商用与 6G 目标落地的关键前提。本文聚焦前端系统的三类核心电路功率放大器、低噪声放大 器,压控振荡器及系统集成化,详细论述了目前关键电路及系统的研究进展,关键技术路线,并对未 来卫星互联网地面毫米波终端进行展望。

图 1 射频前端一体化封装集成 Fig. 1 Integrated Packaging Solution for RF Front-End Module
1 毫米波射频前端:核心概念、卫星通信需求与技术挑战
射频前端是地面终端的重要硬件组成部分,位于天线与基带芯片之间,负责无线信号的发射与接 收,涉及信号的频率变换、滤波和放大等环节,由功率放大器、低噪声放大器、滤波器、混频器和本 振等多个电路与器件实现,如图 1 所示。功率放大器位于发射链路末端,将已调制的射频信号放大到 足够的功率,以实现远距离传输;低噪声放大器位于接收链路最前端,将接收到的微弱信号进行初步 放大,使其远高于后续电路的噪声基底;压控振荡器是锁相环的关键模块,为前端系统提供稳定的参 考源(本振)信号,是信号调制与解调的核心器件。
当前低轨卫星通信以毫米波 Ka 波段(26.5–40 GHz)和 Ku 波段(12–18 GHz)为主,并且正向 Q、 V 等更高频段拓展。卫星与地面终端通信距离长,自由空间路径损耗大,在毫米波频段更加严重,因 此射频前端的发射功率强度、抗干扰能力和接收灵敏度有严苛要求。而毫米波频段晶体管增益和无源 器件品质因数(Quality-factor, Q)值剧烈恶化,电路寄生效应更加明显,对于功率放大器、低噪声放 大器和压控振荡器等组件的设计带来更大的挑战[3][4]。系统组件的互连与封装在毫米波频段也会有更 显著的阻抗失配和损耗,进一步降低射频前端的性能。此外,地面终端对于高续航、小型化与便携性 也有现实需求,要求射频前端同时具备高性能与高集成度。因此,除了利用先进的设计技术提升射频 前端组件性能,还需要结合高效的封装集成技术,达到性能与集成度的最佳平衡。
2 核心电路技术
2.1 毫米波功率放大器
功率放大器 (Power Amplifier, PA) 是卫星通信射频前端核心器件,关键指标包括输出功率、带宽、 效率和线性度等,对发射链路的发射功率和效率起决定作用。功率放大器高输出功率保证信号发射强 度与宽通信范围,在毫米波频段主要通过先进工艺与功率合成技术来实现。以 CMOS 工艺为代表的硅 基功率放大器大多为差分结构,但由于击穿电压限制,单路输出功率较低[5],一般使用多路功率合成 方法或采用工作电压更高的共源共栅(Cascode)等结构增强输出功率[6]。Ⅲ-V 半导体材料 GaN、GaAs 等具有高电子迁移率和高击穿电压,能够实现瓦级的输出功率。且 GaN 功率放大器输出功率能力更强,更易满足卫星通信地面站系统和大型地面终端的发射功率需求[7]。
功率放大器的效率是直流功耗转换为有用信号功率的比值,提高效率可以显著减少系统能耗和电 力成本。卫星通信使用的宽带调制信号具有很高的功率峰均比,传统的 B 类、F 类等功率放大器在处 理这类信号时,需要工作在高线性度的功率回退区间,导致平均效率大幅降低。Doherty 和 LMBA 等 多路负载调制型功率放大器架构能够在维持较好线性度的同时显著提高回退效率,其核心思路是让晶 体管的负载随功率变化被动态调制在效率最优或较优值,具有很高的研究与应用价值。双路 Doherty 和三路 LMBA 功率放大器的回退范围一般是 6 dB,理论回退效率提升 2 倍[8][9][10][11]。清华大学团队制 作的双路 Doherty 功率放大器使用低损耗的变压器合成网络在 27 GHz 实现了 1.54 倍的 6-dB 回退效率 提升[10],比利时鲁汶大学设计的三路 LMBA 功率放大器也在 36 GHz 将回退效率提升了 1.51 倍[11]。 为了应对更高功率峰均比的调制信号,可以使用更多子放大器进行更复杂的负载调制[12][13]。美国佐治 亚理工学院 Wang Hua 等将 Doherty 功率放大器增加到 4 路,把功率回退范围扩大至 12 dB[13]。在多路 LMBA 功率放大器的研究上,北京理工大学团队基于 65 nm CMOS 工艺提出了一款 7 路合成的 LMBA 功率放大器,如 图 2 所示,在 38 GHz 实现 27.2 dBm 输出功率,在峰值/6/9/12 dB 回退点的效率分别为 28.8%/23.2%/16.3%/11.9%,6-dB 回退效率提升 1.88 倍[14]。

图 2 七路 LMBA 拓扑结构与性能 Fig. 2 Topology and Performance of the Seven-Way LMBA
为了避免信号失真和通信干扰,功率放大器的线性度是另一个重要指标,通常采用 AM-AM、AMPM 和 ACLR 等来衡量线性度。数字预失真是 sub-6G 频段功率放大器线性化的核心技术,但在毫米波 大带宽场景下需求极高采样率,实现困难,因此毫米波频段功率放大器中更多地利用模拟预失真和反 馈电路等方法提升线性度[15]。台湾大学、加利福尼亚大学利用变容管等可调元件补偿非线性电容,有 效地改善了功率放大器的 AM-PM 失真[16][17]。韩国浦项科技大学结合自适应偏置和谐波抑制技术,设 计了 Ka 波段高线性功率放大器[18]。三星半导体公司利用 NMOS 和 PMOS 晶体管的非线性电容的相位 变化相反的特性,制作的混合 NMOS/PMOS 电路抵消两者产生的非线性相位变化[19]。此外,Doherty 架构由于具备较好的线性度,在高效率高线性功率放大器研究中也是重点研究对象。在 V 波段,华南 理工大学李园春教授和佐治亚理工学院 Wang Hua 教授课题组使用自适应偏置技术,改善了 Doherty 功 率放大器的 AM-AM 特性[20][21]。

表 1 对比了近年 Ka 波段不同工艺功率放大器的输出功率和效率。Doherty 和 LMBA 等功率放大 器架构在提升回退效率方面具有重要作用,而 GaN 工艺在输出功率方面具有显著优势,代价是制造成 本过高。随着大规模 MIMO 系统和相控阵技术的应用,低轨卫星通信对单个功率放大器的输出功率要 求大幅下降。一个毫米波前端系统可以集成多个收发通道,结合天线阵提升等效全向辐射功率(EIRP)。 因此,低电压、低成本、高集成的硅基功率放大器对功耗和尺寸更加受限的地面终端更具吸引力。
2.2 毫米波低噪声放大器
在卫星通信射频接收系统中,低噪声放大器(Low-Noise Amplifier, LNA)作为接收链路的首级放大 单元,其性能对系统灵敏度、链路裕量及整体通信质量具有决定性影响。低噪声放大器的设计必须在 多个相互制约的关键性能指标中寻求最佳平衡。噪声系数(Noise Figure, NF)决定了系统的 G/T 值,是 灵敏度的核心;增益需足够高以抑制后续混频器和基带电路的噪声贡献;带宽则需覆盖 Ku/Ka 等多个 频段以适应多系统兼容。尤为关键的是,卫星通信低噪声放大器对线性度(通常用三阶输入截断点 IIP3 衡量)的要求极为突出。由于 T/R 模块高度集成,LNA 必须能承受来自自身功率放大器的强发射(TX) 泄漏干扰而不被压缩或产生失真。此外,功耗和芯片面积也是大规模相控阵地面终端实现商业化的关 键约束。
在此背景下,低噪声放大器的研究形成了三大技术路线:一是通过噪声消除等技术追求极致的低 噪声性能;二是通过均衡、匹配等技术实现超宽带覆盖;三是聚焦于系统集成,解决地面终端中抗干 扰、宽动态范围控制等实际应用难题。
卫星通信的极端链路损耗决定了接收端信号功率极低,在此条件下维持足够的信噪比并保证高速 率通信的可靠性,前端放大器必须具备极低的噪声系数和稳定的输入匹配特性。近年来,研究人员围 绕噪声抑制与消除[22][23]、反馈技术[24][25]等方向,提出了多种创新型低噪声设计方法。电子科技大学提 出双路径噪声消除低噪声放大器,如图 3 所示,通过并行共栅与电阻反馈共源路径同时消除两路径关 键晶体管的噪声。该设计在共栅路径集成了一个三耦合变压器,同时实现跨导增强、噪声降低和宽带 级间匹配,并利用带可重构相移线的幅度调节放大器优化噪声对消。该低噪声放大器在 18.9 mW 功耗 下,实现了 22.9–38.2 GHz 的工作带宽、2.65–4.62 dB 的噪声系数以及 14.5 dB 的峰值增益[22]。然而, 通过额外引入一路的方式也会引入额外的噪声。爱尔兰都柏林大学学院 Anding Zhu 团队创新利用一种 磁耦合反馈 Cascode 结构,如图 4 所示。该设计将 Cascode 输入级的栅极电感 Lg 与源极退化电感 Ls 垂直集成,构成一个变压器。这种结构所引入的栅源间磁耦合反馈改变了栅极等效阻抗,从而在不影 响匹配和线性的前提下,实现噪声与增益的同时匹配,有效降低了 LNA 的噪声系数。同时,这种垂直 集成方式显著缩小了无源器件面积,实现了 0.09 mm²的超紧凑布局。采用 22-nm FD-SOI CMOS 工艺, 该低噪声放大器在 23.7–28.5 GHz 频带内实现了 2.1 dB 的最小噪声系数和 23.1 dB 的峰值增益[24]。但 通过反馈的方式实现噪声消除会导致增益下降,从而恶化其噪声消除带来的部分收益。

图 3 双路径噪声消除 LNA
Fig. 3 Dual-Path Noise-Cancelling LNA

图 4 基于反馈的单路径低噪声放大器 Fig. 4. Feedback-Based Single-Path Low-Noise Amplifier
为适应卫星互联网宽带通信需求,LNA 的带宽也是目前研究关注的热点问题。分布式放大器技术 可以实现非常宽的频率覆盖[26],但是存在面积大,功耗高的问题,不适用于高集成、低功耗的场景。 加州大学圣地亚哥分校 Gabriel M. Rebeiz 团队通过使用多级负载技术,提供了一个随频率线性增长的 阻抗,补偿晶体管输出电容在高频的影响,结合电阻反馈技术,采用 90 nm SiGe BiCMOS 技术,在 10- 110 GHz 频段内,有 19-25.5 dB 的增益以及 4.8-5.3 dB 的噪声系数[27]。天津大学团队等利用多级输入 匹配网络和多电感峰化技术,同时实现宽带输入/噪声匹配与平坦增益[28][29]。此外,基于变压器的宽带 匹配网络也是实现宽带低噪声放大器的一种重要方法[30][31][32]。华南理工大学提出了一种基于变压器反 馈的宽带输入匹配网络,该网络结合了传统串联电感匹配与并联-串联变压器反馈的优点,通过引入额 外的高频阻抗峰值来扩展带宽,同时还能抑制栅极电阻噪声,从而显著改善噪声。该设计还采用“极点 调谐技术”,通过合理分布输入级、级间网络和输出级的多个谐振峰,如图 5 所示,最终在 65-nm CMOS 工艺下实现了 19.2 至 42.6 GHz 的 3 dB 带宽,噪声系数低至 3.1-4.5 dB[32]。

图 5 极点调谐LNA
Fig. 5. Pole-Tuning LNA

表 2 总结了低噪声放大器在低噪声[22][23][24][25]与宽带化[27][28][29][30] [32]技术路线上的一些指标对比。除了追求基础性能指标之外,将其集成于卫星通信收发系统时会引入更严苛的系统级挑战。低噪声放大器不再是孤立的器件,而必须在极端的约束下与功率放大器、开关、移相器和频率源等模块协同工作。
首先,高集成度带来了物理邻近性挑战。地面终端对成本和体积的极致追求,导致LNA 与PA 物理距离极近。这催生了严峻的发射-接收隔离度问题,即低噪声放大器需具备极强的抗强干扰能力以应对功率放大器的高功率泄漏。东南大学尤肖虎团队提出了一种将可调谐陷波滤波器直接集成到低噪声放大器级间匹配网络中的方案,如图6 所示。该设计基于一个三线圈变压器结构,利用第三线圈与Q值增强交叉耦合对在发射频点吸收干扰能量,从而在不恶化带内噪声系数的前提下实现13.5 dB 的高抑制比,显著提升了LNA 的鲁棒性[33]。
其次是宽动态范围控制挑战。地面终端低噪声放大器链路需要集成可变增益模块以应对不同信号 强度。然而,可变增益模块状态切换会引入动态负载效应,由于低噪声放大器固有的非单向性,负载 变化会反向传递并破坏输入匹配和稳定性[34]。为解决此问题,东京工业大学提出了一种单向化低噪声 放大器,其核心是在晶体管栅极与漏极采用双耦合变压器反馈产生一个反向传输路径,用以精确抵消 晶体管核心电路因寄生效应产生的反向传输。这种设计增强了低噪声放大器的反向隔离度,使其输入 匹配对后级负载变化不敏感,从而在 9 dB 的增益调节范围内保持了稳定的系统性能[34]。

图 6 集成可调谐陷波滤波器的LNA
Fig 6. Monolithic LNA with a Tunable Notch Filter
综上所述,面向下一代卫星通信地面终端的低噪声放大器设计呈现出多元化的技术路径。在追求 低噪声和宽带等传统指标的同时,系统集成与鲁棒性已成为地面终端设计的核心挑战——如何在低成 本硅基工艺上,实现低噪声放大器与 T/R 开关、功率放大器及滤波器的单片集成与协同设计,同时解 决超宽带、极低噪声与超高线性度(抵抗发射泄漏)之间的复杂性能权衡。
2.3 毫米波压控振荡器
在无线通信系统收发机中,锁相环(Phase-Locked Loop, PLL)作为频率合成器的主流架构,用于 产生频率稳定、频谱纯净的本振信号。PLL 的核心性能指标包括相位噪声、调谐范围、锁定时间及参 考杂散等,其中相位噪声与调谐范围直接由压控振荡器(Voltage-Controlled Oscillator, VCO)的性能决 定。VCO 作为 PLL 中的关键模块,其频率调谐范围与相位噪声直接制约了整个系统的频率覆盖能力、 噪声性能以及通信质量。毫米波频段低轨卫星通信,对 VCO 提出了低相位噪声和宽调谐范围的双重 性能需求,以支持复杂的多频带通信标准。然而,在毫米波频段下,硅基工艺中无源器件 Q 值的恶化 与显著的寄生效应,成为制约 VCO 性能提升的关键瓶颈。因此,在满足高集成度与低成本的要求下, 如何实现兼具低相位噪声与宽频带的高性能毫米波 VCO,已成为当前面向毫米波 PLL 系统的核心挑 战与热点。

图7 二次谐波调谐振荡器
Fig 7. Second-Harmonic-Tuning Oscillator
相位噪声是指时域不稳定性(抖动)导致波形在相位上发生快速、短期、随机的波动,这种波动 在频域中的表现即为相位噪声,是决定 PLL 输出信号频谱纯净度的核心因素,直接影响通信系统的误 码率和接收机灵敏度。国际上主流实现低相位噪声的方法主要是多核耦合及谐波调谐技术。多核耦合 技术是一种通过耦合 N 个相同振荡器核心以降低相位噪声的方法。该架构可视为 N 个谐振腔的并联, 其等效电感与并联损耗电阻均降为单核的 1/N,等效电容则增加为原来的 N 倍,而谐振腔的 Q 值在理 想情况下保持不变,理论上相位噪声可降低 10lgN dB。多核耦合方式主要包括电阻耦合、电容耦合及 变压器耦合,其中变压器耦合是一种磁耦合方式,其优势在于可通过切换耦合极性来拓展带宽,并通 过灵活设计高 Q 电感版图以抑制相噪,在毫米波频段四核以上的结构应用广泛。清华大学贾海坤教授 提出一种基于环形三线圈变压器耦合的四核 VCO,采用八边形版图优化电感 Q 值,同时引入源极电 感提高栅极电压幅度,在 60 GHz 中心频率偏移 1 MHz 处实现了-101.4 dBc/Hz 的最佳相位噪声[35]。谐 波调谐技术的重点在于对压控振荡器中相位噪声影响最大的二次和三次谐波分量进行有效的控制。通 过在共模路径引入谐振腔以在二次谐波处形成高阻抗,避免其对主谐振腔产生负载效应,同时也可抑 制闪烁噪声的上变频,从而有效改善相位噪声。传统的共模抑制方法通常在共源节点增加显式 LC 谐 振腔以实现共模谐振[36],如图 7(a)和(b)所示,这种方式会额外占用电感版图面积。图 7(c)的隐式共模 技术利用变压器结构可以仅通过主谐振腔实现二次谐波调谐,代价是变压器 Q 值降低。为此,电子科 技大学提出一种基于核间整形技术的可扩展多核 VCO 架构,该技术通过消除共模的破坏性耦合并使 用高 Q 值差分电容,使得 20 核拓扑在 28 GHz 频段 1 MHz 频偏处实现了-119.6 dBc/Hz 的最佳相位噪 声[37]。实现三次谐波调谐的 F 类 VCO 架构则是利用输出电压的方波特性,有效降低相位噪声。F23 类 VCO 拓扑结合了二次与三次谐波调谐技术,可以进一步提升相噪性能,故而得到了广泛研究[38][39][40]。
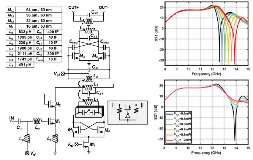
VCO 调谐范围决定是否能够覆盖目标通信频段,也是确保 PLL 能够合成所需频点、适应多标准 通信的关键。传统连续调谐方案主要依赖于变容二极管,然而仅依靠变容管的电容可调区间存在固有 局限,难以覆盖较宽的频率范围,无法达到一个倍频程。近年兴起的开关电容/开关电感技术利用可控 开关阵列,改变谐振腔的等效电容/电感值,实现离散的频率切换[41][42]。然而,开关在导通时会额外引 入损耗,降低谐振腔 Q 值,相位噪声因此遭到恶化,在毫米波频段会更加明显,并且在关断时的寄生 电容也会限制最高振荡频率,减少调谐范围。仅靠开关电容/电感技术难以兼顾低相位噪声与宽调谐范 围,一个解决方法是利用模式切换技术。模式切换技术基于多核耦合谐振腔结构,通过调控模式开关 改变不同振荡核心之间的相位关系,使振荡器工作于奇模或偶模状态,实现不同频带之间的切换。该 技术的核心在于开关不处于信号主路径,不会引入额外损耗,因此能够在拓展调谐带宽的同时保持较 高的谐振腔 Q 值,从而缓解传统开关技术中宽频带与低相噪之间的折中问题。该类模式切换技术还可 进一步扩展至三核、四核结构,或者通过不同模式的组合实现三模甚至四模切换,从而显著提升频率 覆盖范围,是实现宽带高性能毫米波 VCO 的重要设计方向之一[43]。华南理工大学李园春课题组利用 模式切换技术制作的四核四模 VCO 实现了 16.5-37.9 GHz 的宽调谐范围,覆盖了超过 70%的相对带 宽,芯片核心面积仅为 0.07 mm2,如图 8 所示[44]。

图 8 基于模式切换技术的四核四模VCO 芯片架构和照片
Fig 8. Architecture and Chip Micrograph of the Quad-Core Quad-Mode VCO Based on Mode-Switching Technology

综上所述,面对毫米波 PLL 设计中低相位噪声与宽调谐范围难以兼顾的核心挑战,其关键模块 VCO 研究路径已从单一技术的优化,逐步走向了多技术融合的“多模多核”架构。这一趋势在表 3 的 数据中得到了清晰的印证:早期采用单核或简单多核结合谐波调谐的设计,虽然在相位噪声上表现出 色,但其调谐范围通常局限在 20%左右;而近年来,通过将多核耦合与模式切换技术深度融合的设计, 实现了革命性的性能突破,调谐范围大幅提升,同时保持了具有竞争力的相位噪声和优良的芯片面积 效率。这充分表明,“多模多核”技术通过其内在的可扩展性和灵活性,能够最有效地协同拓展带宽 与抑制相位噪声,从而为构建高性能、宽频带覆盖的毫米波频率合成器奠定坚实的基础,已成为突破 毫米波 VCO 性能瓶颈、满足未来多频带通信需求及 PLL 系统需求的必然发展趋势。
3. 毫米波前端集成技术
传统的分立方案前端各个组件独立设计与封装,通过印制电路板(PCB)互连,系统体积大、集 成度低,且不适用于毫米波频段。模组化集成将功率放大器、低噪声放大器和滤波器等多个组件集成 在一个封装体内,形成多功能模块,如图 9 所示。模组集成可减少不同模块间的损耗,同时减少器件 数量与互连面积,提升射频性能和可靠性。芯片级集成则是将所有前端模块使用同一种工艺集成在一 个芯片上,具有更高的集成度以及更低成本,但在性能上会有所妥协。为了减小射频前端不同电路间 的互连面积,并提升系统装配效率与整体性能,可以将两个或以上的功能电路在同一衬底如 GaAs 和 CMOS 上共同设计与实现,形成多功能芯片。集成了功率放大器、低噪声放大器以及开关的 T/R 前端 模组可以切换发射/接收通道,是收发机射频前端芯片在天线侧的常用多功能电路[47][48][49]。东南大学 洪伟教授课题组使用非对称式的开关设计具有更高的功率处理能力,并减小了发射和接收通路的插入 损耗[47]。美国加州大学圣地亚哥分校 Peter M. Asbeck 等人将低噪声放大器/功率放大器的输入/输出匹 配网络与开关合并成一个网络,有效提升了效率和噪声系数等性能[48]。此外还可结合功率放大器和低 噪声放大器的性能提升技术,如爱尔兰都柏林大学 Anding Zhu 团队在发射通道使用 Doherty 功率放大 器架构作为嵌入型开关,实现了发射模式的高回退效率和接收模式的高隔离度[49]。除此之外,其他类 型的多功能芯片也有较多研究,如开关与功率放大器集成用于发射通道间的切换[50],IQ 调制器与放大 器集成大幅提高上变频增益[51],滤波功率/低噪声放大器芯片集成了放大和滤波功能[52]。

图 9 芯片集成垂直结构示意图 Fig 9. Schematic Diagram of the Vertical Integration Structure
不同射频前端电路芯片在一个共同的基板上完成安装、互联与封装,主要采用芯片级的封装堆叠。 芯片的组装需要小型化、轻量化,传统的二维组装单层结构占用面积大,不利于前端系统的小型化。 三维集成可以充分利用横向和垂直空间,优化传统平面电路布局,采用层叠结构实现前端芯片的小型 化,常用低温共烧陶瓷(LTCC)/高温共烧陶瓷(HTCC)和球栅阵列(BGA)等。将 LTCC/HTCC 与 BGA 连接方式结合,可以同时发挥两者分别具备的高密度布线和高密度连接优点,再加上多功能芯片 的应用,可以进一步减小系统尺寸。例如,中国电子科技集团第十三所曾用 HTCC 基板制作两层层叠 结构的四通道 T/R 组件,同一层芯片之间以及芯片与基板之间使用键和线连接,层间使用 BGA 连接, 如图 9 所示。该组件包含了 GaN 开关功率芯片和 GaAs 限幅低噪声放大器芯片等,系统体积缩小了 50%以上。
为了进一步提高系统集成度,在同一衬底上完成功率放大器、低噪声放大器、开关、移相器和混 频器等更多射频组件的制造是更佳的选择。由于数字前端、振荡器、移相器等大多基于硅基工艺制造, 且随着波束赋形技术的大规模应用,硅基全集成相控阵前端芯片具有更高的研究和应用价值。美国加 州理工学院于 2004 年在 ISSCC 会议上首次提出集成了 8 个通道相控阵的硅基全集成接收机前端芯片, 其工作频率在 24 GHz[53],随后有更多集成相控阵系统的接收/发射芯片进一步挖掘更高的性能和集成 度[54-58]。美国 IBM 公司华生实验室基于 SiGe BiCMOS 工艺制造了包含 32 个收发单元的双极化相控 阵收发机芯片[54],如图 10 所示,该芯片在接收和发射模式下都支持垂直/水平双极化并发信号,具有 较高的收发性能。华南理工大学使用 256 个 8 通道硅基波束成形芯片组成 1 024 单元相控阵发射机, 工作频带覆盖 26-32 GHz,在商用卫星通信系统中实现了重大性能突破[58]。

图 10 包含 32 个收发通道的芯片
Fig 10. Chip with 32 Transceiver Channels
4. 总结与展望
面向卫星互联网地面终端,射频前端正朝着高频、高性能与高集成度方向快速发展。创新和融合 先进的设计技术,优化功率放大器、低噪声放大器和压控振荡器三个核心电路的性能,是提升射频前 端输出功率、效率、噪声系数与集成度等性能指标的一个重要环节。在此基础上,利用先进的集成与 封装技术,减少射频前端系统组装环节的性能损耗,同时使系统更加小型化,也是射频前端发展的重 要方向。未来卫星互联网将往更高频率发展,并与地面网络深度融合,对射频前端的挑战会更加严苛。 在提升电路组件性能方面,发展更先进的材料和工艺对于电路各项性能有直接的提升,而电路本身的 架构和设计技术也将进一步演进,同时人工智能与数字电路的发展也可以成为重要的辅助设计手段。 在系统集成方面,结合硅基半导体在成本与集成度方面的优势,以及化合物半导体在性能上的特长, 硅基与化合物半导体的异质集成将成为未来射频前端电路的重要发展方向。目前主流的芯片级堆叠技 术在集成度方面仍存在不足,而在硅衬底上实现的晶圆级集成技术,则有望突破集成度与性能兼顾的 瓶颈,对构建高性能卫星通信系统具有重要的战略意义。
参考文献
[1] 袁野,徐子欣,王正强,等.6G 卫星互联网应用创新发展策略研究[J].移动通信,2025,49(06):27-34.
[2] 王运付,姜元山,刘霞,等.一种低轨窄带卫星终端的设计与实现[J].物联网技术,2025,15(12):62-65.
[3] Sun J, et al. A 2.77-dB NF K-band four-element dual-beam phased-array receiver with 39-db Tx-band rejection for SATCOM applications[J]. IEEE Transactions on Circuits and Systems Ⅱ: Express Briefs,2024, 71(6): 2991-2995.
[4] Samanta K K, Stephens D, Robertson I D. Design and performance of a 60 GHz multi-chip module receiver employing substrate integrated waveguides[J]. IET Microwaves, Antennas & Propagation. 2007, 1(5):961-967
[5] Zhao C X, Liu M X, Liu H H, et al. A 23-41 GHz broadband power amplifier with common-mode stability enhancement technique in 65-nm CMOS process[J]. IEEE Transactions on Circuits and Systems I: Regular Papers, 2025, 72(11): 6872-6885.
[6] Haag A and Ulusoy A Ç. A 30.8-dbm SiGe Ka-band power amplifier using resonated amplifier cores[J].IEEE Transactions on Microwave Theory and Techniques, 2025, 73(2): 988-997.
[7] Nakatani K, Yamaguchi Y, Trii T, et al. Ka-band high efficiency and high linearity GaN power amplifiers for broadband high throughput satellite communication systems[C]. 2024 IEEE Asia-Pacific Microwave Conference (APMC). New York: IEEE, 2024: 614-616.
[8] Liu R J, Zhu X W, Xia J, et al. A 24-28-GHz GaN MMIC synchronous Doherty power amplifier with enhanced load modulation for 5G mm-wave applications[J]. IEEE Transactions on Microwave Theory and Techniques, 2022, 70(8): 3910-3922.
[9] Xie H, Fan Y, Li W Y, et al. A Ka-band watt-level high-efficiency Doherty amplifier MMIC in 90-nm GaAs technology[J]. IEEE Microwave and Wireless Technology Letters, 2023, 33(2): 204-207.
[10] Wang D, Chen W, Chen X, et al. A 24-29.5 GHz voltage-combined Doherty power amplifier based on compact low-loss combiner[J]. IEEE Transactions on Circuits and Systems II: Express Briefs, 2021, 68(7):2342-2346.
[11] Qunaj V and Reynaert P. A Ka-band Doherty-like LMBA for high-speed wireless communication in 28-nm CMOS[J]. IEEE Journal of Solid-State Circuits, 2021, 56(12): 3694-3703.
[12] Zhang X H, Li S S, Huang D Q, et al. A millimeter-wave three-way Doherty power amplifier for 5G NR OFDM[J]. IEEE Journal of Solid-State Circuits, 2023, 58(5): 1256-1270.
[13] Liu E and Wang H. A 26-40 GHz 4-way hybrid parallel-series role-exchange Doherty PA with broadband deep power back-off efficiency enhancement[C]. 2023 IEEE Radio Frequency Integrated Circuits Symposium (RFIC). New York: IEEE, 2023: 185-188.
[14] Zhu W, Ying J, Chen L, et al., “32.8 a 27.8-to-38.7ghz load-modulated balanced power amplifier with scalable 7-to-1 load-modulated power-combine network achieving 27.2dbm output power and 28.8%/23.2%/16.3%/11.9% peak/6/9/12dB back-off efficiency,” presented at the 2024 IEEE International Solid-State Circuits Conference (ISSCC), 2024.
[15] Chen Y C, Tsai T C, Tsai J H, et al. A 38-GHz-band power amplifier with analog pre-distortion for 1600-mhz transmission bandwidth 64-QAM OFDM modulated signal[C]. 2019 IEEE MTT-S International Microwave Symposium (IMS). New York: IEEE, 2019: 312-315.
[16] Huang T-W, Yen H-C, Tsai J-H, et al. A 19.7–38.9-GHz ultrabroadband PA with phase linearization for 5G in 28-nm CMOS process[J]. IEEE Microwave and Wireless Components Letters, 2022, 32(4): 327-330.
[17] Vigilante M and Reynaert P. A wideband class-AB power amplifier with 29–57-GHz AM–PM compensation in 0.9-V 28-nm bulk CMOS[J]. IEEE Journal of Solid-State Circuits, 2018, 53(5): 1288-1301.
[18] Park B, Jin S, Jeong D, et al. Highly linear mm-wave CMOS power amplifier[J]. IEEE Transactions on Microwave Theory and Techniques, 2016, 64(12): 4535-4544.
[19] Li T-W, Li S, Lavasani H M, et al. A highly linear and efficient V-band CMOS power amplifier using hybrid NMOS/PMOS for double nonlinearity cancellation with four-way distributed-active-transformer[J]. IEEE Journal of Solid-State Circuits, 2024, 59(7): 2145-2158.
[20] Zhang H, Zhan R-Z, Li Y C, et al. High efficiency Doherty power amplifier using dual-adaptive biases[J].IEEE Transactions on Circuits and Systems I: Regular Papers, 2020, 67(8): 2625-2634.
[21] Nguyen H T, Chi T, Li S, et al. A linear high-efficiency millimeter-wave CMOS Doherty radiator leveraging multi-feed on-antenna active load modulation[J]. IEEE Journal of Solid-State Circuits, 2018, 53(12): 3587-3598.
[22] Deng Z, Zhou J, Qian H J, et al. A 22.9–38.2-GHz dual-path noise-canceling LNA with 2.65–4.62-dB NF in 28-nm CMOS[J]. IEEE Journal of Solid-State Circuits, 2021, 56(11): 3348-3359.
[23] Han C, Zhou J, and Luo X. A 70–86-GHz deep-noise-canceling LNA with dual-stage noise cancellation using asymmetric compensation transformer and 4-to-1 hybrid-phase combiner[J]. IEEE Journal of Solid-State Circuits, 2025, 60(3): 1030-1042.
[24] Kobal E, Siriburanon T, Staszewski R B, et al. A compact, low-power, low-NF, millimeter-wave cascode LNA with magnetic coupling feedback in 22-nm FD-SOI CMOS for 5G applications[J]. IEEE Transactions on Circuits and Systems II: Express Briefs, 2023, 70(4): 1331-1335.
[25] Ke J, Lin Z, Feng G, et al. A 52–73-GHz LNA with tri-coupled transformer for gm boosting and enhanced noise canceling[J]. IEEE Journal of Solid-State Circuits, 2024, 59(3): 668-676.
[26] El-Aassar O and Rebeiz G M. A cascaded multi-drive stacked-SOI distributed power amplifier with 23.5dBm peak output power and over 4.5-THz GBW[J]. IEEE Transactions on Microwave Theory and Techniques, 2020, 68(7): 3111-3119.
[27] Kazan O and Rebeiz G M. A 10–110 GHz LNA with 19-25.5 dB gain and 4.8-5.3 dB NF for ultra-wideband applications in 90nm SiGe HBT technology[C]. 2021 IEEE Radio Frequency Integrated Circuits Symposium (RFIC). New York: IEEE, 2021: 39-42.
[28] Jiang J H, Gao L, and Zhang X Y. A 0.5–44-GHz LNA with 23-dB peak gain and 3-dB average NF in 28-nm CMOS technology[J]. IEEE Transactions on Microwave Theory and Techniques, 2025, 1-10.
[29] Zhao Z, Chen X, Meng F, et al. Design and analysis of a 22.6-to-73.9 GHz low-noise amplifier for 5G NR FR2 and NR-U multiband/multistandard communications[J]. IEEE Journal of Solid-State Circuits, 2025,60(9): 3189-3201.
[30] Liu X, Han F, Liu Z, et al. A 5–25.7-GHz CMOS LNA with weakly coupled transformer for X-/Ku-/Kaband satcom receivers[J]. IEEE Microwave and Wireless Technology Letters, 2025, 1-4.
[31] Hu Y and Chi T. A 27–46-GHz low-noise amplifier with dual-resonant input matching and a transformerbased broadband output network[J]. IEEE Microwave and Wireless Components Letters, 2021, 31(6): 725-728.
[32] Chen H, Zhu H, Wu L, et al. A wideband CMOS LNA using transformer-based input matching and poletuning technique[J]. IEEE Transactions on Microwave Theory and Techniques, 2021, 69(7): 3335-3347.
[33] Zhang J, Zhao D, and You X. Analysis and design of a CMOS LNA with transformer-based integrated notch filter for Ku-band satellite communications[J]. IEEE Transactions on Microwave Theory and Techniques,2022, 70(1): 790-800.
[34] Wang Y, You D, Fu X, et al. A Ka-band satcom transceiver in 65-nm CMOS with high-linearity TX and dual-channel wide-dynamic-range RX for terrestrial terminal[J]. IEEE Journal of Solid-State Circuits, 2022,57(2): 356-370.
[35] H. Jia, P. Guan, W. Deng, Z. Wang and B. Chi. A low-phase-noise quad-core millimeter-wave fundamental VCO using circular triple-coupled transformer in 65-nm CMOS[J]. IEEE Journal of Solid-State Circuits,2023, 58(2): 371-385.
[36] Y. Hu, T. Siriburanon and R. B. Staszewski. A Low-Flicker-Noise 30-GHz Class-F23 Oscillator in 28-nm CMOS Using Implicit Resonance and Explicit Common-Mode Return Path[J]. IEEE Journal of Solid-State Circuits, 2018, 53(7): 1977-1987.
[37] Y. Shu and X. Luo. Scalable inter-core-shaping multi-core oscillator with canceled common-mode destructive coupling and robust common-mode resonance[J]. IEEE Journal of Solid-State Circuits, 2023,58(12): 3308-3319.
[38] J. Wan et al. 30-GHz low-phase-noise scalable multicore Class-F voltage-controlled oscillators using coupled-line-based synchronization topology[J]. IEEE Microwave and Wireless Technology Letters, 2022,32(10): 1183-1186.
[39] Y. Li et al. A Ku-band 20.4% tuning range VCO with a tunable harmonic-resonant transformer in 55 nm CMOS[J]. IEEE Microwave and Wireless Technology Letters, 2023, 33(6): 719-722.
[40] Z. Lin, H. Jia, R. Ma, W. Deng, Z. Wang and B. Chi. A low-phase-noise VCO with common-mode resonance expansion and intrinsic differential 2nd-harmonic output based on a single three-coil transformer[J]. IEEE Journal of Solid-State Circuits, 2024, 59(1): 253-267.
[41] Y. Li, T. Tan and X. Li. A 40.6% tuning range low-phase-noise Class-F−1/3 VCO using simultaneous frequency and harmonic-mode switching[J]. IEEE Transactions on Circuits and Systems II: Express Briefs,2024, 71(3): 1037-1041.
[42] J. Zhang, N. Sharma, W. Choi, D. Shim, Q. Zhong and K. K. O. 85-to-127 GHz CMOS signal generation using a quadrature VCO with passive coupling and broadband harmonic combining for rotational spectroscopy[J]. IEEE Journal of Solid-State Circuits, 2015, 50(6): 1361-1371.
[43] Y. Shu, H. J. Qian and X. Luo. A 2-D mode-switching quad-core oscillator using E-M mixed-coupling resonance boosting[J]. IEEE Journal of Solid-State Circuits, 2021, 56(6): 1711-1721.
[44] Y. C. Li, L. -Y. He, Y. Que, X. -Y. Zhang, Z. -R. Chu and J. Mou. A 16.5-to-37.9 GHz quad-core quad-mode VCO with compact 0.07 mm2 in 65-nm CMOS[J]. IEEE Transactions on Circuits and Systems II: Express Briefs.
[45] Y. Wang, et al. Analysis and design of a dual-mode VCO with inherent mode compensation enabling a 7.9–14.3-GHz 85-fs-rms Jitter PLL[J]. IEEE Journal of Solid-State Circuits, 2023, 58(8): 2252-2266.
[46] G. S. Kim, S. -K. Ryu, G. -H. Ko, K. -I. Oh and D. Baek. A 27.2–31.2 GHz 92-fs rms integrated Jitter,fractional-N subsampling PLL using phase rotating technique in 65-nm CMOS[J]. IEEE Transactions on Microwave Theory and Techniques, 2023, 71(12): 5182-5193.
[47] Li Z, Chen J, Hou D, et al. A 24–30-GHz TRX front-end with high linearity and load-variation insensitivity for mm-wave 5G in 0.13-μm SiGe BiCMOS[J]. IEEE Transactions on Microwave Theory and Techniques,2021, 69(10): 4561-4575.
[48] Rostomyan N, Ozen M, and Asbeck P M. Synthesis technique for low-loss mm-wave T/R combiners for TDD front-ends[J]. IEEE Transactions on Microwave Theory and Techniques, 2019, 67(3): 1030-1038.
[49] Liu R, Jia H, Qi L, et al. A 24–28-GHz single-chip GaN MMIC T/R front-end using Doherty power amplifier as embedded switches in RX mode[J]. IEEE Journal of Solid-State Circuits, 2025, 1-12.
[50] 曲韩宾,崔朝探,芦雪,等.卫星互联网用Ka 波段开关功率芯片[J].微纳电子技术,2025,62(03):59-65.
[51] Raj M, Chaturvedi S K, Ravi G, et al. Ka band IQ modulator MMIC with an integrated amplifier for satcom application[C]. 2024 IEEE Microwaves, Antennas, and Propagation Conference (MAPCON). New York:IEEE, 2024: 1-4.
[52] Wang J, Zhang T, Cheng Y, et al. A low-power, Ka-band LNA with tunable out-of-band suppression based on compact varactor diode arrays[C]. 2024 IEEE MTT-S International Microwave Workshop Series on Advanced Materials and Processes for RF and THz Applications (IMWS-AMP). New York: IEEE, 2024: 1-3.
[53] Hashemi H, Guan X, and Hajimiri A. A fully integrated 24GHz 8-path phased-array receiver in silicon[C].2004 International Solid-State Circuits Conference (ISSCC). New York: IEEE, 2004: 390-391.
[54] Sadhu B, Tousi Y, Hallin J, et al. A 28-GHz 32-element TRX phased-array IC with concurrent dual-polarized operation and orthogonal phase and gain control for 5G communications[J]. IEEE Journal of Solid-State Circuits, 2017, 52(12): 3373-3391.
[55] Gao H, Wang S, Xie X, et al. A Ka-band four-beam high-linearity transmitter with beam interference cancellation for satcom multibeam communication[J]. IEEE Transactions on Microwave Theory and Techniques, 2025, 73(4): 2009-2022.
[56] Wang S, Gao H, Lu H, et al. A 26.5–29.5 GHz Doherty phased-array transceiver front-end with 7-bit phase shifter and 16% back-off drain efficiency[J]. IEEE Transactions on Circuits and Systems II: Express Briefs,2025, 72(9): 1148-1152.
[57] Melamed I, Sayag A, and Cohen E. A 28 GHz phased-array transmitter based on Doherty spatial combining technique with a local sub-sampling PLL[J]. IEEE Journal of Microwaves, 2025, 5(3): 687-701.
[58] Qian M, Jiang H, Zhang X, et al. A 1024-element dual-circularly polarized phased-array transmitter for Kaband satcom with wide-axial-ratio bandwidth and beamwidth[J]. IEEE Transactions on Microwave Theory and Techniques, 2025, 1-12.
[作者简介]
李园春 1984 年生,教授,博士生导师。
吴迪斯 1990 年生,博士。
黄 衡 1969 年生,教授,博士生导师。
Previous:5G 小基站射频前端研究和设计