混频器

LogicMW-MIX系列(RF混频器):转换信号频率(上/下转换),用于通信系统,雷达,测试仪器和卫星接收器。

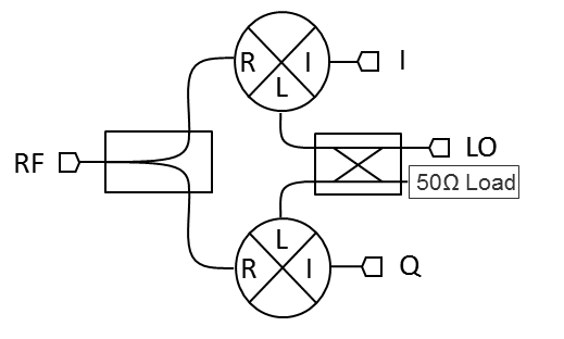
IQ混频器原理及应用

一、IQ混频器原理IQ混频器与常规混频器的区别在于:1.中频IF由I、Q两路组成2.···

E-mail

info@logicrf.com

support@logicrf.com

E-mail

Wechat

Wechat
Back Top