频率合成器有多个应用,接下来这篇文章给大家介绍一下简单锁相频率合成器简单锁相频率合成器的电路以及现代PLL的基本结构的电路图。
1)简单锁相频率合成器简单锁相频率合成器实例如图1所示。

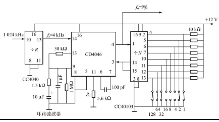
图1 CD4046组成的频率合成器实例
参考分频器由12级二进制计数器构成。取分频比R=28=256,则得频率间隔为fr=1024 kHz/256=4 kHzN分频器采用可编程分频器CC40103构成。图中N=29。
2)锁相环频率合成器PLL由于微电子技术的快速发展,使得PLL锁相环频率合成器有了很高的集成化程度。

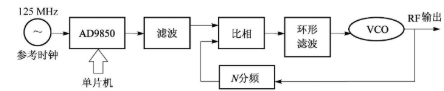
图2 现代PLL的基本结构
图2所示电路是数字式间接频率合成器,频率合成器的组成元器件有标准晶振频率源、频率合成器芯片、低通滤波器、压控振荡器和单片机等。
(1)目前使用较多的标准频率源是晶体振荡器,常用的有恒温晶振OCX0、温补晶振TCX0、数字温补DCX0。常用标准频率有10 MHz、20 MHz、40 MHz等,频率稳定度可以达到±1×10-6,可根据PPL集成电路的情况和频率合成器整机设计进行选用。
(2)PLL集成电路,工作频率涵盖VCO频率,芯片内包括参考标准、频率源的分频器、VCO输出信号频率的分频器、鉴相器、输出电荷泵等,两个分频器可以将标准频率和输出频率进行任意分频,满足频率合成器的频率分辨率要求,不同信号经不同分频后,得到两路同频率信号,再进行比相,相位差送入电荷泵,电荷泵的输出电流与相位差成比例。进一步输出给LPF,控制VCO。
(3)单片机用来调整频率合成器的输出频率,单片机提供一个变换输出频率的指令。
(4)VCO输出所需要的射频/微波信号。VCO为了宽范围调谐,通常要求较高的电压,供电电压大于12 V。在频率合成器中,VCO的压控电压来自低通滤波器,与PLL芯片的输出电流有关。
(5)低通滤波器(LPF)的设计直接影响到频率合成器的相位噪声和换频速度。低通滤波器在频率合成环路中又称为环路滤波器,它通过对电阻、电容器的选定,使高频率成分被滤除,以防止对VCO电路造成干扰,得到比较理想的PLL频率合成器。
图3所示电路用AD9850 DDS系统输出作为PLL的激励信号,而PLL设计成N倍频PLL,利用DDS的高分辨率来保证PLL输出有较高的频率分辨率。

图3 用AD9850系统输出作为PLL的信号
直接数字频率合成芯片DDS作为SB3236锁相环频率合成芯片构成了一个DDS+PLL频率合成器。PLL采用单环频率合成技术,在电路中DDS的作用是为锁相环提供一个高精度参考源。整个系统换频精度受到DDS特性、滤波器的带宽和锁相环参数的影响,频率切换时间主要由锁相环决定。频率的调节由DDS和PLL两个芯片的逻辑关系决定。
Previous:频率合成器
Next:什么是噪声系数及噪声系数的测试方法