任全欣 张博 张奡清 (中国电子科技集团公司第二十研究所,西安 710068) rqx1024@foxmail.com.
摘 要 本文设计了一款 Ku 波段的多功能信号收发模块,用于实现12GHz~18GHz 频段信号的接收与发射。该模块可用于产生连续波/单脉冲/线性调频信号,具备输出功率和接收/发射信号频率可调节的功能,在保证信号窄带接收的同时,引入检波电路来保证接收信号功率可测量,检波动态范围≥50dB。测试结果表明,该收发模块的性能良好,具有调频间距小、功率测量误差低等优点。
关键词 Ku 波段;收发模块;功率测量误差
Design and Realization on Ku-band Multi-functionTransceiver Module
REN Quan Xin 1 (Navigation Technology Institute, Xian 710068) 1
Abstract: A Ku-band multi-function transceiver module is proposed in this paper, which is usedto receive and transmit signals in the band from 12GHz to 18GHz. The module can be used togenerate continuous wave signal, single pulse signal and linear FM signal with the function of adjusting the output power and receiving/transmitting signal frequency. While ensuring the narrow-band reception of the signal, the receiving signal power can be measured by introducingthe detector, and the dynamic detection range is ≥50dB. The test results show that the transceiver module has good performance, small frequency spacing and low power measurement error.
Keywords: Ku-band;Transceiver module;Power measurement error
1 引言
信号收发模块在现代军用和民 用系统中是不可缺少的基本部件。它 作为远距离通信应用中的一个非常 重要的设备,能有效地增加无线设备 的覆盖范围和桥接距离[1]。Ku波段微 波通信具有频带宽、设备体积小等特 点,近年来在军事、无线通信、探测 等领域的应用越来越广泛[2]。
收发模块的组成器件通常很多, 有:功率放大器、低噪声放大器、滤 波器、功分器和射频开关等[3]。为实 现一些特定功能,模块也会包含许多 子电路,如:温度补偿电路和检波电 路等。由于各器件之间的性能差异大 且电路相对复杂,因此要设计好一个 信号收发模块,必须对各个子电路的 性能指标进行合理分配,同时需深刻 了解各元件的功能特性及工作原理。
本文介绍了一种Ku波段多功能 信号收发模块的总体设计方案及工作原理,频率源采用直接数字频率合成技术(DDS)和锁相源方式实现,模块具有广泛的工程应用前景。
表 1 收发模块主要技术指标类型
发 射 技术指标
1)频率:12GHz~18GHz,步进5MHz
2)信号波形:连续波/单脉冲/线性调频
3)最大输出功率:≥34dBm
4)功率调节范围:≥30dB,步进0.5dB
5)相位噪声:≤-85dBc/Hz@1KHz;
≤-90dBc/Hz@10KHz;
≤-95dBc/Hz@100KHz
6)杂散抑制:≤-60dBc(带内杂散)
7)谐波抑制:≤-30dBc
8)AD 采样时钟频率:100MHz
9) AD 采样时钟信号功率:≥5dBm
接 收 技术指标
1)检波动态范围:≥50dB
2)信号功率范围:-35dBm~15dBm
3)接收中频带宽:5MHz
4)信号功率测量误差:优于± 1dB
2 系统原理及设计方案
2.1 系统设计原理
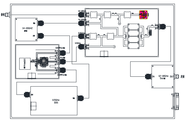
针对射频收发模块的功能特性,将该模块分为4部分,分别为:发射通道、接收通道、频率源和电源控制。

图1 系统原理图
收发模块的原理框图见图1。接 收通道将12GHz~18GHz射频信号下 变频为0.5GHz中频信号,本振信号由 内部频率源提供,完成放大滤波的功 能,在输出端进行检波;发射通道对 0.5GHz的射频信号(DDS产生)通过 二次变频,转换为12GHz~18GHz的 射频信号,本振信号由内部锁相源产 生,模块主要技术指标见表1。
2.2 接收通道技术指标设计与估算
a) 信号功率范围:-35dBm~15dBm
由图 2 可知,当进入链路的信号 为最大功率+15dBm,链路中输入到 的一中频放大器的信号约-9dBm。为 保证此时放大器工作于线性状态,增 益不产生压缩,设计中选用型号为 HGC180-8 的放大器,见图 3,增益 为 17dBm,P-1 为 20dBm。当进入链 路的信号为最小功率-35dBm,为防止 流进末级 DLVA 功率过小,需另加一 级二中频放大器,见图 4,使 DLVA 正常工作,放大器型号为 HGC300-2。
b) 检波动态范围:≥50dB
检波器选用 AD8318,其典型值 和实测数据见图 5(a)和表 2。一级 AD -8318 的检波范围为 58dB 左右,约为 -55dBm~+3dBm,由图 2 知进入检波 器的功率分别为-1dBm 和-51dBm 在 检波范围内。综合以上资料,链路满 足在0.5GHz 检波动态范围≥50dB和 功率测量误差≤± 1dB 的指标。



图 2 输入信号为-35dBm 和15dBm链路增益

图 3 一中频放大器指标

图 4 二中频放大器指标

图 5 器件指标 (a)检波器;(b)混频器杂散

图 6 发射通道链路
2.3 发射通道技术指标设计与估算
a) 杂散抑制:≤-60dBc(带内)
发射链路见图6。图中链路到达混频器 HGC554 的功率约为-7dBm,混频器杂散指标见图5(b),可见对带内杂散抑制最差的三次交调点约有55dBc 的抑制。在带内的互调信号可通过混频后的开关滤波器组对其进行进一步抑制,通过滤波器后可满足杂散抑制≤-60dBc。
b) 信号源功率调节范围:≥30 dB
选用型号为 HGC243PD 的芯片, 指标见图 7,可满足步进 0.5dB,总 调节范围≥30dB 的指标要求。

图 7 数控芯片指标
表 3 功放电性能参数

c) 最大输出功率:≥34dBm
12GHz~18GHz 功 放 模 块 由 前 级、推级、末级功率放大器、功放电 源控制等单元构成。功放链路采用分 布级联放大的方式,将输入信号逐级 放大至 37dBm。末级功放器件选择,工作频率范 围覆盖 6GHz~18GHz,功率增益大于 20dB,典型饱和输出功率为 37dBm, 主要性能参数见表 3。
2.4 频率源模块
频率源模块由 10GHz~16GHz 频 率源组件产生,可满足系统要求。AD 采样时钟和信号源的参考均由组件 内部 100MHz 晶振提供,指标如图 8 所示。

图 8 100MHz 晶振指标
2.5 软件设计
主 控 FPGA 芯 片 选 用 型 号 GW1N-UV9MG160C6/I5 的芯片,该 芯片为 4 输入 LUT,双沿触发器; ADC 芯片选为可兼容 I2C 的 16 位 ADS1115,其精度高功耗低。
2.6 实物及测试结果
模块整体的外形尺寸为300mm*200mm*25mm,源与模块间用电缆连接,结构图和实物图见图9 和图10。

图 9 收发模块结构图

图 10 收发模块实物图
在设计时考虑部分空余地方减重设计,预计整个组件重量满足小于1.7kg。内部采用模块化分腔设计,提高了模块可靠性、维修性和测试性。
3 结论
本文设计了一种用于12GHz~18GHz 频段信号接收与发射的信号收发模块。该模块具有多功能特点,可用于产生连续波/单脉冲/线性调频信号;可对输出功率进行调节,调节步进为 0.5dB;其最大输出功率≥34dBm。模块重量轻、体积小、功率测量误差小,具有良好测试性能。
参考文献
1 Prakash Bhartia, Inder Bahl. Milli- meter wave engineering and applications[M]. Hoboken: Wiley, 1984: 31- 35.
2 王培章,《微波与射频电路分析与设计》,北京:国防工业出版社版,2012.
3 马志东,一种W波段频率综合器的设计,全国毫米波会议,2018: 1272-1275.
Previous:全国产化射频信号收发模块的设计与实现
Next:L 波段收发信道模块设计